SNE/A280R46U12.1W2離心機螺桿泵
產品分類: 三螺桿泵
流量范圍:500L/min
工作壓力:≤2.0MPa
轉速范圍:≤2900RPM
使用溫度:≤150℃
粘度范圍:3.0-150mm2/s
密封形式:骨架油封
適用范圍:離心機配套
訂購熱線:020-82375311





遠東泵業,離心機行業配套廠家,30年為您提供的螺桿泵,服務用戶上萬家,對劣質產品說不!30年來為湘潭離心機廠,江蘇離心機廠,重慶離心機廠提供HR-500N型離心機配套指定供應商。服務離心機制造廠500家,我們敬畏您付出的每一分錢,對劣質產品說不!



遠東泵業30多年來一直堅持為客戶創造價值!
我們提供的不只是產品,我們提供的是服務。遠東泵業技術工程師為你提供流體輸送解決方案。為你解決流體輸送的難題,讓你省心又省力!立即撥打咨詢熱線:020-82375311

(1)湘潭惠博離心機有限公司 配套型號:SNE/A280R46U12.1W2
(2)湘潭分離機制造有限公司 配套型號:SNE/A280R46U12.1W2
(3)湘潭縣湘達離心機有限公司 配套型號:SNE/A280-46
(4)江蘇捷達離心機制造有限公司 配套型號:SNE/A280-46
(5)廣州重離江北機械有限公司 配套型號:SNE/A280R46U12.1 SNE/A280R46U12.1W2
(6)重慶江北機械離心機有限責任公司 配套型號:SNE/A280-46 SNE/A280R46 SNE/A280R46U9W2
(7)湘潭裕豐離心機有限公司 配套型號:SNE/A280R46U12.1W2
(8)湘潭通用離心機有限公司 配套型號:SNE/A280R46W2
免費為您提供螺桿泵選型方案/報價==請Q我>>>QQ:2853715917
2853715911





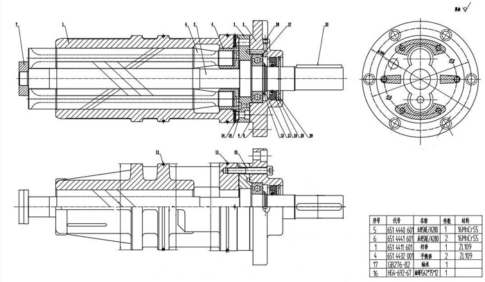
SNE/A280R46芯子螺桿泵是我廠研發生產配套HR-500N型離心機液壓系統油泵。
(1)設計流量:500L/min 壓力:2.0MPa 電機功率:22.1KW 轉速:2900RPM
(2)設計流量:500L/min 壓力:1.6MPa 電價功率:18.5KW 轉速:2900RPM
是國內離心機行業指定的配套供應廠商


我工作,我快樂!認真做好每一天,干好每件事,做一個愛崗敬業、無私奉獻、在平凡的崗位上尋找快樂的人。工作是累、是辛苦,但是真正的付出才是人生的滿足,尤其是不懈怠的工作,更給人以欣慰與快樂!在遠東泵業這個和諧的大家庭中,我們充滿青春活力,充滿激情,幸福滿滿!
SNE螺桿泵型號及性能參數
SNE芯子螺桿泵型號
SNE/A280R46U12.1W2
設計流量:500L/min 壓力:2.0MPa 電機功率:22KW 轉速:2900RPM
SNE/A280-46
設計流量:500L/min 壓力:2.0MPa 電機功率:22KW 轉速:2900RPM
SNE/A280R46
設計流量:500L/min 壓力:2.0MPa 電機功率:22KW 轉速:2900RPM
SNE/A280R46U9W2
設計流量:500L/min 壓力:2.0MPa 電機功率:22KW 轉速:2900RPM
SNE三螺桿泵運行注意事項
溫馨提示
尊敬的客戶,為了保證產品的良好的使用壽命和性能表現,請在產品選型以及產品配置設計及使用維護中遵循以下原則:
1、進出口管道通徑配置必須和泵的進出口通徑保持一致,管道通徑配置必須保證泵在啟動和工作時真空度在泵的性能范圍之內。
以免造成汽蝕和氣穴,從而導致泵的振動和噪音異常甚至卡泵。
2、嚴禁無介質空轉現象,使用前必須加入工作介質。
三螺桿泵轉動螺桿與襯套之間是靠介質的油膜其保護作用.如空轉會使螺桿與襯套加劇磨損。
3、嚴禁泵腔內進入一切雜質不僅限于焊渣等。
三螺桿泵結構緊湊螺桿與襯套配合緊密.無縫隙.介質有雜質或焊渣會導致泵卡組或電機燒毀。
4、嚴禁使用Y型過濾器裝置,泵的進口必須配置桶式過濾器或藍式過濾器,而且過濾器過濾網的展開過濾面積不得低于泵進口截面積的20-40倍.泵的過濾器一般為20.40.60.80目。
過濾器20目介質一般為比較粘稠的介質如瀝青.重油.燃油.渣油、廢油。
過濾器40目介質一般為.潤滑油.液壓油.齒輪油。
過濾器60目介質一般為汽輪機油.變壓器油.透平油.稀油。
過濾器80目介質一般為介質稀沒有潤滑性如柴油.航空煤油.冷卻油.汽油.沖洗油。
5、泵的安裝位置如果在液面以上,請務必認真考慮泵的汽蝕余量和泵的自吸能力以及正確的管系配置,以確保泵的性能表現符合工況條件的使用要求。
泵的汽蝕余量及自吸高度都是有限制的.一般螺旋角度越大泵的自吸能力越好.具體數據請與廠家聯系。
關于三螺桿泵組選型配置須知及使用開機注意事項的重要說明
1、嚴禁無介質空轉,啟動開車前請務必加入潤滑性介質或輸送介質。
2、嚴禁一切雜物焊渣等進入泵腔內,務必保持泵腔和管道內部的清潔度。
3、嚴禁使用管道過濾器或Y型過濾器裝置,配置過濾器請保證過濾面積是泵進口通徑截面積的20-30倍。并依據介質的清潔度正確配置過濾網的目數。
4、嚴禁泵的進出口管道與泵的進出口管道不匹配,管道通徑配置必須和泵的進出口通徑一致。以免發生汽蝕或無法自吸。管道過細必定導致汽蝕,從而使泵處于吃不飽的狀態下工作,導致三螺桿泵組流量壓力下降甚至是異常的振動和噪音,長時間運行還將導致卡泵和螺桿泵的嚴重損壞。
5、三螺桿泵的安裝高度必須充分考慮泵的汽蝕條件和泵的自吸能力(汽蝕余量與介質粘度 轉速和螺桿的導程有關)。
6、由于包裝 運輸 起吊 裝卸以及管道螺栓緊固的作用可能易使泵的原出廠定位產生變化甚至嚴重錯位,所以三螺桿泵組管系配置安裝固定完畢后,一定要在啟動開車之前重新檢查三螺桿泵和電機的同軸度。
7、嚴禁背壓啟動開機和關閉進口出口閥門的情況下啟動開機。
8、嚴禁不符合泵旋轉標識的方向啟動旋轉。
9、雙泵并聯必須在泵的出口和進口加單向閥,以防止介質倒流驅動三螺桿泵反轉。
10、嚴禁隨意調整安全閥螺栓。安全閥僅作為保護泵的安全和電機功率與泵工作狀態的匹配,嚴禁作為調壓閥和溢流閥使用。
三螺桿泵裝卸要求
三螺桿泵裝卸時,應將吊鉤鉤在包裝箱上所標明的位置上。
泵/機組由合格的人員小心運送,避免猛烈撞擊。
運輸過程中保持泵/機組方向并注意包裝指示。
運輸和儲存過程中泵進、出口應被封閉。
包裝材料必須按當地規定處理。
起吊設備(如叉車、起重機、吊具、滑輪、吊繩等)必須保證其強度且由有資格的人員操作。
泵或泵機組的重量件數據表。
泵或泵機組起吊時必須牢固,如泵體、法蘭或底座。
三螺桿泵安裝及調試
1. 安裝要求
1.1 建議泵的安裝位置,盡可能地靠近該泵抽送介質的供液源。泵房應該明亮寬敞、干凈、干燥,以便進行日常維護,并有足夠的空間進行安裝 維護與保養。
1.2 泵機組對安裝基礎要求平整;
1.3 地腳螺栓與基礎混凝土采用一次性澆灌法;
1.4. 泵機組安裝好后,應嚴格檢查聯軸器同軸度公差,控制在0.08mm范圍內,半聯軸器端面間隙是否控制在規定范圍內;
1.5 泵的吸入管,排出管口徑及法蘭面聯接應與泵的進口相匹配,管路在滿足配管要求前提下力求簡單,以減少沿程損失;
1.6 泵的吸入高度,吸程應保證泵在工作時所需汽蝕余量為準;
1.7 泵不允許承受管路載荷;
1.8 泵吸入管路應裝備過濾器,過濾器的濾網規格應根據輸送不同介質的情況選用,濾網規格一般為10-60目,網格的有效過流面積應大于泵吸 口面積10-30倍;
1.9 安裝前應對吸入、排出管清理干凈,嚴禁帶入焊渣、鐵銹等雜物,以免進入泵后螺桿咬死;
1.10 管路作耐壓試驗和沖洗或吹掃時,應嚴格防止對泵及附件的損壞;
1.11 泵進出口配裝相應真空表、壓力表,以便觀察工作狀態,在泵出口應安裝截止閥和單向閥;
1.12 機組安裝調試,經2小時連續運轉無異常現象后視作安裝合格。
2、使用方法
為了保證泵的安全運轉,一次啟動前的檢查是非常必要的,下面所列設備交付正常運轉所必須檢查的幾項內容;
2.1 檢查所有管道:管道是否都有獨立與泵的單獨支撐,并保證對泵不施加額外的力,管道以及其它附件的結合處是否有泄漏,所有管道是否都已沖洗干凈。閥門以及控制儀器是否都起作用,過濾器的網目是否符合要求;
2.2 泵腔內是否已注入足夠的被輸送的介質;
2.3 當泵軸承為外置時,應檢查齒輪箱內的油位是否達到規定的位置,過量的齒輪油會引起齒輪油的過熱;
2.4 檢查進出口壓力表以及其它儀表是否工作正常;
2.5 檢查所有管道、電纜、控制線以及附屬設備;檢查泵軸的轉動:用手轉動聯軸器,檢查泵軸聯軸器與電機軸是否均勻地轉動,如果有任何的 磨擦與咬合,則不應交付使用,應該查出故障原因并排除;
2.6 檢查泵的轉動方向:點動電動機,檢查泵軸的轉動方向是否與泵上的轉向牌的方向一致;
2.7 打開管路所有閥門,保證整個輸送管道暢通;
2.8 帶冷卻結構的,開機前應先沖冷卻液,保證排水口有較大的冷卻液流出;
2.9 啟動電機檢查裝置是否有異常噪聲與震動。任何異常的震動和聲音的改變必須尋清原因,并加以排除;
2.10 如需停泵應先斷開電機電源再停泵,然后關閉進、出口管道上閘閥。
3、維護事項
3.1 泵驅動器若出現異常聲音應立即停機,查找原因;
3.2 出口壓力應在工作壓力范圍內,否則應查找原因;
3.3 若我廠提供了安全閥,則安全閥在出廠前已調試好,不應隨意調整;
3.4 注意泵溫的升降,以防止發生螺桿咬死,或軸功率不足現象;
3.5 軸封處漏油量大于10mL/h,應停機檢查;
3.6 先停泵后關閉閥門;
3.7 根據所輸送介質粘度的不同,泵的輸出壓力有所不同;
3.7.1 輸送3oE的介質,應降壓使用;
3.7.2 輸送3-100oE的介質,允許泵在高壓力下使用;
3.7.3 輸送100oE以上的介質,應調整轉速或控制油溫下降;
4、潤滑
4.1 三螺桿泵軸承為內置時,其軸承和齒輪都是通過被輸送介質本身來潤滑的,無需再加潤滑油或潤滑脂。當軸承為外置時,采用齒輪箱中的齒輪油來潤滑冷卻同步齒輪,同時也用來潤滑軸承座上的圓滾子軸承。建議齒輪箱中的齒輪油應采用參有抗泡劑、抗氧防腐劑以及抗磨極壓劑的高品質的齒輪油。

遠東泵業制造有限公司
全國服務熱線:020-82375311
傳真:020-82386622
聯系QQ:2853715917
2853715911
郵箱:Sales@cs-byd.com
地址:廣州市黃埔區黃埔東路621號
* 表示必填采購:SNE/A280R46U12.1W2離心機螺桿泵
共有-條評論【我要評論】