來源:遠東泵業 發布日期
2016-07-09 14:16 瀏覽:-
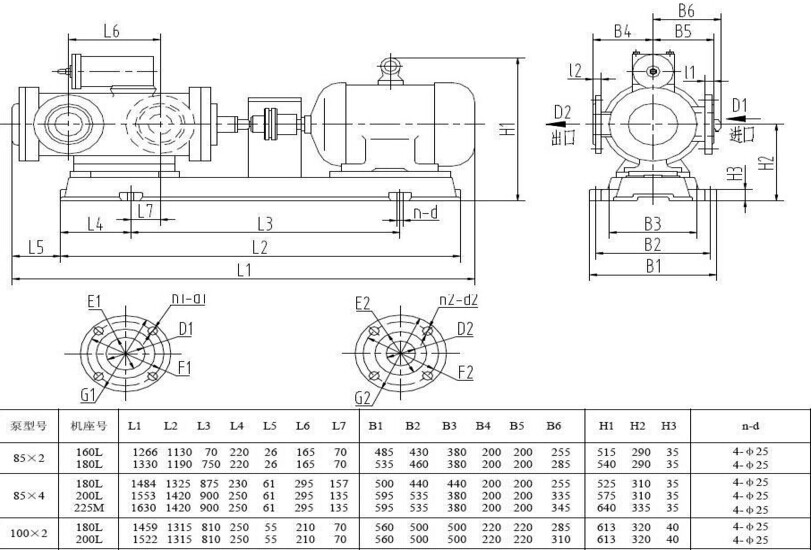
我三螺桿泵所輸液體為各種不含固體顆粒,無腐蝕性油類及類似油的潤滑性液體,所輸液體粘度為1.2~100°E(3.0~760cst),高粘度液體亦可通過加溫降粘后輸送。流量范圍0.2~590m3/h,高工作壓力100bar,高溫度150℃。
公司設計生產的三螺桿泵屬于3G型國家標準(GB10886-89)保溫螺桿泵,其外型安裝尺寸相同,該系列具有加熱和冷卻功能。該產品具有結構簡單、維修方便、體積小、流量穩定、噪音低、自吸能力強、不泄漏(采用硬質合金鋼機械密封)、壓力高、耐高溫、可以倒轉、經久耐用。經長期使用性能穩定可靠,可完全替代國外同類產品。
3GR100×2W21銅套螺桿泵用于輸送重油,燃油等。各種潤滑性介質
流量: 0-600 m3/h 壓力: 0-2.5MPa
粘度: 0-760cst 溫度: ≤150°C
吸入口徑:120mm 排除口徑:100mm
泵體材質:HT200 主、從螺桿:38CrMoALA, 40Cr
襯套:球鐵、錫青銅、巴氏合金 泵體:灰鐵、球鐵
機械密封,軸承為廠家配套,一般為硬質合金,和不銹鋼。
前端蓋.后蓋.軸承座 .泵頭座為多為鑄件直接加工(材質為 HT200/QT450-10)



關于三螺桿泵組選型配置須知及使用開機注意事項的重要說明:(供設計院和現場安裝使用維護人員參考)
1、 嚴禁無介質空轉,啟動開車前請務必加入潤滑性介質或輸送介質。
2、 嚴禁一切雜物焊渣等進入泵腔內,務必保持泵腔和管道內部的清潔度。
3、 嚴禁使用管道過濾器或Y型過濾器裝置,配置過濾器請保證過濾面積是泵進口通徑截面積的20-30倍。并依據介質的清潔度正確配置過濾網的目數。
4、 嚴禁泵的進出口管道與泵的進出口管道不匹配,管道通徑配置需要和泵的進出口通徑一致。以免發生汽蝕或無法自吸。管道過細必定導致汽蝕,從而使泵處于吃不飽的狀態下工作,導致三螺桿泵組流量壓力下降甚到是異常的振動和噪音,長時間運行還將導致卡泵和螺桿泵的嚴重損壞,
5、 三螺桿泵的安裝高度需要充分考慮泵的汽蝕條件和泵的自吸能力(汽蝕余量與介質粘度轉速和螺桿的導程有關)
6、 由于包裝 運輸 起吊 裝卸以及管道螺栓緊固的作用可能易使泵的原出廠定位產生變化甚到嚴重錯位,所以三螺桿泵組管系配置安裝固定完畢后,一定要在啟動開車之前重新檢查三螺桿泵和電機的同軸度。
7、 嚴禁背壓啟動開機和關閉進口出口閥門的情況下啟動開機。
8、 嚴禁不符合泵旋轉標識的方向啟動旋轉。
9、 雙泵并聯需要在泵的出口和進口加單向閥,以防止介質倒流驅動三螺桿泵反轉。
10、嚴禁隨意調整閥螺栓。閥僅作為保護泵的和電機功率與泵工作狀態的匹配,嚴禁作為調壓閥和溢流閥使用。
輸送燃油泵 3GCR100×2W21三螺桿泵 福建省東南造船廠
重油輸送泵 3GCLS100×2W21三螺桿泵 廣東麻斜船廠
瀝青輸送泵 3GS100×2W21三螺桿泵 江蘇宏達新材料股份有限公司
貨油螺桿泵 3GCLS100×2W21三螺桿泵 大連造船廠
冷卻系統循環泵 3GR110×2W21三螺桿泵 萍鄉安源鋼鐵有限責任公司
船用主機燃油供油泵 3GCLS110×2W21三螺桿泵 青島鶴順船業有限公司
燃油備用駁運泵 3GR110×4W21三螺桿泵 汕頭市河浦造船廠
糧油輸送泵 3GR100×4W21三螺桿泵 中糧艾地盟糧油工業(菏澤)有限公司

遠東泵業制造公司成立于1980年。我們矢志于做世界的螺桿泵研發制造科技型生產企業,我們不僅重視螺桿泵產品的出廠前關于產品的流量、壓力、振動、噪音、軸功率等相關性能參數以及模仿客戶使用工況條件的測試工作,堅持維護和執行螺桿泵國家標準GB/T10886-2002和機械行業標準JB/T 8091-1998,保證對出廠的每一臺產品進行嚴格的實驗和檢測,交給客戶放心使用,我們更立志于您在選擇螺桿泵產品時成為您可以信賴和依靠的佳合作伙伴,為您提供性能可靠的螺桿品。
公司已通過ISO9001:2000質量體系認證,船級社CCS型式認證,法國船級社BV產品工廠認證,美國船級社ABS產品質量認證,成為中石油物資資源市場成員、中石化物資資源市場成員。河北省產品生產企業,船用泵產品承制企業。

遠東員工感言:

我工作,我快樂!認真做好每一天,干好每件事,做一個愛崗敬業、無私奉獻、在平凡的崗位上尋找快樂的人。工作是累、是辛苦,但是真正的付出才是人生的滿足,尤其是不懈怠的工作,更給人以欣慰與快樂!在遠東泵業這個和諧的大家庭中,我們充滿青春活力,充滿激情,幸福滿滿!

【本文標簽】:3GR100×2W21三螺桿泵 重油螺桿泵 燃油螺桿泵 廣東螺桿泵
【責任編輯】:遠東泵業 版權所有:http://m.7nf0t7.cn/轉載請注明出處